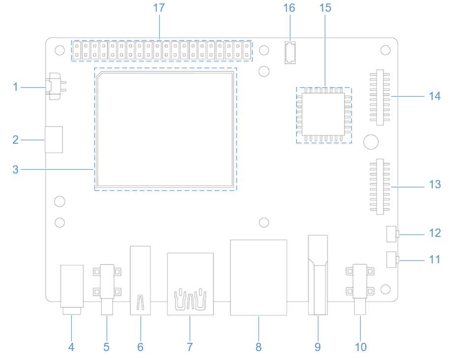
DisplayPort
RUBIK Pi 3 provides a USB Type-C that supports DisplayPort (DP), labeled as No. 5 in the following figure.
The DP specifications are as follows:
-
3840 × 2160@60 fps
-
Single stream transport
-
Simultaneous operation of DP and USB 3.0

note
The DP function is not supported in Ubuntu 24.04 V1.0.0. Support for this feature will be introduced in future versions..