HDMI OUT
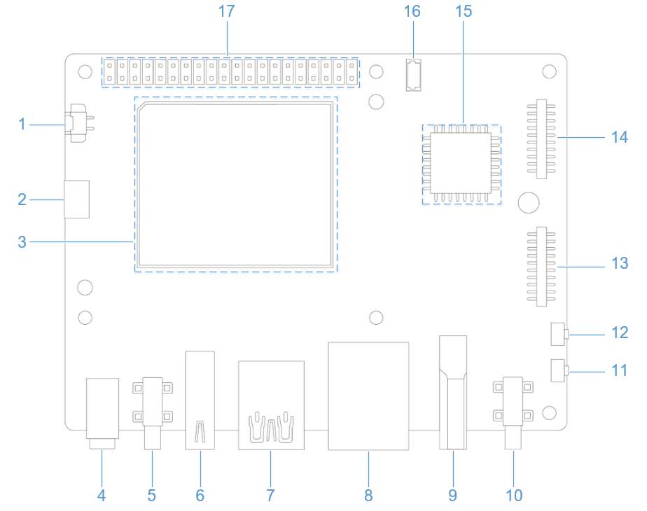
The HDMI connector is component No.9 in the following figure.
RUBIK Pi 3 HDMI specifications are as follows:
- HDMI 1.4
- 3840 x 2160@30 fps
- DSI 0 to HDMI (LT9611)
- Supports CEC
- Supports resolution auto-adjustment
- Supports hot swapping

CEC
HDMI Consumer Electronics Control (CEC) is a feature of HDMI designed to interconnect and control multiple devices via a single HDMI cable. CEC facilitates communication through a dedicated CEC pin. For example, multiple devices can be controlled with a single remote control.
Run the following command to install cec-client.
sudo apt install cec-utils
After connecting the HDMI cable to a TV, run the following command to check whether the TV supports CEC.
echo 'scan' | cec-client -s -d 1
If the TV supports CEC, you will see the following output:
opening a connection to the CEC adapter...
requesting CEC bus information ...
CEC bus information
===================
device #0: TV
address: 0.0.0.0
active source: no
vendor: Sony
osd string: TV
CEC version: 1.4
power status: standby
language: eng
device #1: Recorder 1
address: 1.0.0.0
active source: no
vendor: Pulse Eight
osd string: CECTester
CEC version: 1.4
power status: on
language: eng
device #4: Playback 1
address: 3.0.0.0
active source: no
vendor: Sony
osd string: PlayStation 4
CEC version: 1.3a
power status: standby
language: ???
If the TV supports the CEC function, run the following commands on RUBIK Pi 3 to increase or decrease the TV volume.
echo 'volup' | cec-client -t p -s
echo 'voldown' | cec-client -t p -s
For more information about how to use cec-client, use the -h parameter.

HDMI OUT touchscreen
RUBIK Pi 3 supports HDMI OUT touchscreen with 1024 x 600P resolution by default:

The screen used in the picture above is a 7" IPS HD touch screen.
HDMI OUT debugging
RUBIK Pi 3 uses the LT9611 DSI-to-HDMI bridge chip.
The following table lists the configurations required for integrating the bridge.
| Description | DTSI Node |
|---|---|
| Set the DSI-to-HDMI bridge panel as Primary | &sde_dsi { qcom, dsi-default-panel = <&dsi_ext_bridge_1080p>; } |
| Configure reference power supply entries for the bridge chip | &sde_dsi { vddio-supply = <&vreg_18c_ip62>; vdda-9p9-supply = <&vreg_11oc_9p88>; vdda-9p9-supply = <&vreg_11oc_9p88>; } |
| Configure panel reset GPIOs for the bridge chip | lt9611: lt,lt9611 { reset-options = <&tlmm 21 0>; } |
| Configure the DSI host driver in the external bridge mode to work with the third-party DSI-to-HDMI bridge chip | qcom,mdss-dsi-ext-bridge-mode; |
Run the sudo -i command to switch to the root user.
Obtain lt9611 logs
Run the following command to obtain LT9611 logs:
dmesg | grep lt9611
Check the logs. The following message indicates that HDMI OUT is functioning properly.
This log records the initialization of the LT9611 chip and the HDMI connection process, from firmware version detection to CEC initialization, indicating that the chip has started normally.
-
The firmware version of the chip is 0xe2.17.02. This indicates that during initialization, the driver successfully reads the version information.
-
The Consumer Electronics Control (CEC) function adapter of the LT9611 has been successfully registered.
-
CEC initialization is complete, which means that the CEC module of LT9611 is functioning properly.
-
The chip successfully reads the Hot Plug Detection (HPD) status, and a value is returned, confirming the connection of the HDMI device.
-
The chip detects the video signal parameters: horizontal resolution 1920 pixels, vertical resolution 1080 pixels, and pixel clock frequency 148500 kHz (148.5 MHz). This is a typical 1080p resolution (Full HD) with a 60 Hz refresh rate configuration.
[ 5.492765] lt9611 9-0039: LT9611 revision: 0xe2.17.02
[ 5.570258] lt9611 9-0039: CEC adapter registered
[ 5.582944] lt9611 9-0039: CEC init success
[ 8.233028] lt9611 9-0039: success to read hpd status: 13
[ 8.233044] lt9611_device_connect_status_notify: send msg[Hdmi Connection] ret[32]
[ 8.345015] lt9611 9-0039: hdisplay=1920, vdisplay=1080, clock=148500
[ 8.836662] lt9611 9-0039: video check: hactive_a=1920, hactive_b=1920, vactive=1080, v_total=1125, h_total_sysclk=401, mipi_video_format=170
Obtain DSI logs
The output DSI information can also be used for debugging. DSI stands for Display Serial Interface, which is typically related to display drivers for mobile devices or embedded systems (such as MIPI DSI). The following command is used to view kernel logs related to DSI for debugging display drivers or hardware issues.
dmesg | grep dsi
Sample output:
[ 6.831249] i2c 9-0039: Fixed dependency cycle(s) with /soc@0/display-subsystem@ae00000/dsi@ae9400
[ 15.070444] lt9611 9-0039: failed to find dsi host
[ 17.855362] lt9611 9-0039: failed to find dsi host
[ 18.007167] platform ae01000.display-controller: Fixed dependency cycle(s) with /soc@0/display-su0
[ 18.014168] platform ae01000.display-controller: Fixed dependency cycle(s) with /soc@0/display-su0
[ 18.014317] lt9611 9-0039: Fixed dependency cycle(s) with /soc@0/display-subsystem@ae00000/dsi@ae0
[ 18.014460] platform ae94000.dsi: Fixed dependency cycle(s) with /soc@0/geniqup@ac0000/i2c@a840009
[ 18.014514] platform ae94000.dsi: Fixed dependency cycle(s) with /soc@0/display-subsystem@ae000000
[ 18.372993] lt9611 9-0039: failed to find dsi host
[ 18.803189] msm_dpu ae01000.display-controller: bound ae94000.dsi (ops dsi_ops [msm])
View regulator information
Run the following command to view the regulator status and voltage.
cat /sys/kernel/debug/regulator/regulator_summary
View interface information
To retrieve the debug dump output (display interface number, VSync count, underload count, and interface mode), run the following command:
cat /sys/kernel/debug/dri/0/encoder*/status
Sample output:
intf:1 wb:-1 vsync: 2580 underrun: 0 frame_done_cnt:0mode: INTF_MODE_VIDEO
intf:-1 wb:2 vsync: 0 underrun: 0 frame_done_cnt:0mode: INTF_MODE_WB_LINE
Common DPU debug information
The common Display Processing Unit (DPU) debug information is explained as follows:
Run the following command to check the DPU clock rate:
cat /sys/kernel/debug/clk/clk_summary | grep disp_cc
Set the DPU to performance mode.
cd /sys/kernel/debug/dri/0/debug/core_perf/
echo 1 > perf_mode