Setup your device
This chapter offers a streamlined guide for developers to set up the RUBIK Pi 3 development board across Ubuntu, Windows®, and macOS® environments. Whether you're powering on the device for the first time, configuring the debug UART for serial access, or establishing network and SSH connections, this section ensures a smooth and reliable onboarding experience.
It also covers essential procedures such as entering EDL mode for firmware flashing and verifying your Ubuntu 24.04 installation—laying the foundation for AI, multimedia, and embedded development workflows.
🏁 Let’s Get Started!

Power on the device
Connect a 12V, 3A Type-C power adapter.
RUBIK Pi 3 supports Power Delivery (PD) 3.0 power input. A Type-C 12V 3A power adapter compliant with PD 3.0 is recommended for input power. The power indicator LED near the power port will turn on if the power adapter meets requirements and power negotiation succeeds. If the adapter does not meet requirements, the LED will remain off and the device will not boot.
Plug in a USB Type-C to USB Type-A or a Type-C cable to establish connection for flashing operation.
Board versions v02 and later support automatic power-on after the power adapter is connected. You can check the hardware version number at the following location on the board. In the example below, the hardware version is V02.

If the blue LED on the board is constantly lit, it indicates that the power button was pressed for too long, and the board is in fastboot mode. Please refer to FAQ to exit the fastboot mode.
Set up the Debug UART
The debug UART displays diagnostic messages and provides access to the device via a UART shell.
1️⃣ Connect a Micro-USB cable to the Micro-USB port on your RUBIK Pi 3.

2️⃣ Connect the other end of the Micro-USB cable to the host. Follow one of the following instructions based on the host operating system.
- Ubuntu host
- Windows host
- macOS host
1️⃣ Run the following commands to install screen for accessing the UART console.
sudo apt update
sudo apt install screen
2️⃣ Run the following command to check the USB port:
ls /dev/ttyACM*
Sample output
/dev/ttyACM0
3️⃣ Run the following command to open the debug UART session.
sudo screen <serial_port> <baud_rate>
Example: sudo screen /dev/ttyACM0 115200
4️⃣ Open the debug UART interface and press Enter to display the authentication prompt.
5️⃣ If Canonical Ubuntu is already flashed on the device, log in via the UART console and proceed to reset the user password.
- Account:
ubuntu - Password:
ubuntu
If you are unable to log in properly, check that your RUBIK Pi 3 has been upgraded to the Ubuntu 24.04. For detailed upgrade steps, refer to Update software.
If you do not see the authentication console as expected, please check the USB connection. If necessary, disconnect and reconnect the Micro USB cable.
1️⃣ Download PuTTY for your Windows host. Make sure you select the correct version (32-bit or 64-bit).
2️⃣ Run the installation wizard and follow the prompts.
3️⃣ After installation, open the PuTTY application from the list of installed programs in the Start menu, or search for it in the search bar on the taskbar.
4️⃣ In the PuTTY Configuration dialog box, perform the following actions:
- Select Serial.
- Specify the serial line based on the UART port detected in Windows Device Manager.
If the UART port is not detected, download the driver and update it using Windows Device Manager:
- On x86 systems: USB to UART serial driver.
- On Arm(®) systems: Visit https://oemdrivers.com/usb-ft232r-usb-uart-arm64. Under Drivers, click FTDI CDM VCP Drivers.
- Set the baud rate to 115200.
- Click Open to start the PuTTY session.

5️⃣ Open the serial device and press Enter to bring up the authentication prompt.
6️⃣ Log in to the UART console and follow the prompts to reset the password.
- Account:
ubuntu - Password:
ubuntu
If you are unable to log in properly, check that your RUBIK Pi 3 has been upgraded to the Ubuntu 24.04. For detailed upgrade steps, refer to Update software.
If you do not see the authentication console as expected, please check the USB connection. If necessary, disconnect and reconnect the Micro USB cable.
1️⃣ Run the following command to check the serial device connected to the macOS host.
ls /dev/cu.*
2️⃣ Find your device in the list of serial devices.

3️⃣ Run the following command to open the serial device.
screen <serial_device_node> <baud_rate>
- Replace
<serial_device_node>with the device node name. - Replace
<baud_rate>with an appropriate baud rate.
Sample command: ceteam@Qualcomms-MacBook-Pro ~ % screen /dev/cu.usbserial-DM03SDQQ 115200
4️⃣ Open the serial device and press Enter to bring up the authentication prompt.
5️⃣ Log in to the UART console and follow the prompts to reset the password.
- Account:
ubuntu - Password:
ubuntu
If you are unable to log in properly, check that your RUBIK Pi 3 has been upgraded to the Ubuntu 24.04. For detailed upgrade steps, refer to Update software.
If you do not see the authentication console as expected, please check the USB connection. If necessary, disconnect and reconnect the Micro USB cable.
Connect to the network
Use one of the following methods to establish an internet connection and obtain the device's IP address.
- Connect using Wi-Fi
- Connect using Ethernet
The device is running in Station mode for Wi-Fi. When the device boots up, it initializes the Wi-Fi host driver and performs network management authentication. Users can establish a wireless connection using the nmcli command-line tool.
1️⃣ Run the following command to connect to the wireless access point (Wi-Fi router):
sudo nmcli dev wifi connect <WiFi-SSID> password <WiFi-password>
Example
sudo nmcli dev wifi connect RUBIKPiWiFi password 1234567890
Device 'wlan0' successfully activated with 'd7b990bd-3b77-4b13-b239-b706553abaf8'.
2️⃣ Run the following command to verify the connection and device status:
sudo nmcli -p device

3️⃣ Run the following command to verify the WLAN connection status and IP address.
ip addr

4️⃣ To ensure the connection is active, perform a ping operation to a website such as that of RUBIK Pi:
ping rubikpi.ai
1️⃣ Connect one end of an Ethernet cable to the Ethernet port (RJ45) on your RUBIK Pi 3, and the other end to the network router.

2️⃣ After establishing the connection, run the following command on the UART serial console to obtain the IP address:
ip addr

Establish SSH connection
Secure Shell (SSH) is used for secure file transfer between the host and RUBIK Pi 3.
Before connecting to SSH, ensure that the network connection is established.
1️⃣ To find the IP address based on the network connection type, run the following command in the UART console:
ip addr
2️⃣ Run the following command from the host to establish an SSH connection with the device. Use the IP address obtained in step 1.
ssh <user name>@ip-address
Example:
ssh ubuntu@192.168.0.222
3️⃣ To connect to SSH, enter the user's password when prompted.
Ensure that the host is connected to the same network as the device.
Verify Software Version
After completing the setup and once the device has successfully booted, verify the OS version by running the following commands in the device shell:
cat /etc/os-release
Output:
NAME="Ubuntu"
VERSION_ID="24.04"
VERSION="24.04.2 LTS (Noble Numbat)"
VERSION_CODENAME=noble
ID=ubuntu
ID_LIKE=debian
HOME_URL="https://www.ubuntu.com/"
SUPPORT_URL="https://help.ubuntu.com/"
BUG_REPORT_URL="https://bugs.launchpad.net/ubuntu/"
PRIVACY_POLICY_URL="https://www.ubuntu.com/legal/terms-and-policies/privacy-policy"
UBUNTU_CODENAME=noble
LOGO=ubuntu-logo
Select the appropriate software upgrade path based on your current software version
Connect an HDMI display
To connect an HDMI display and view the Ubuntu 24.04 desktop environment along with the output of sample applications, follow these steps:
1️⃣ Connect one end of the HDMI cable to the HDMI port on RUBIK Pi 3.
2️⃣ Connect the other end of the HDMI cable to the display.

3️⃣ Power on the device and check the HDMI display.

Connect to Keyboard and Mouse for SBC
Connect USB Keyboard and Mouse to Type-A ports:

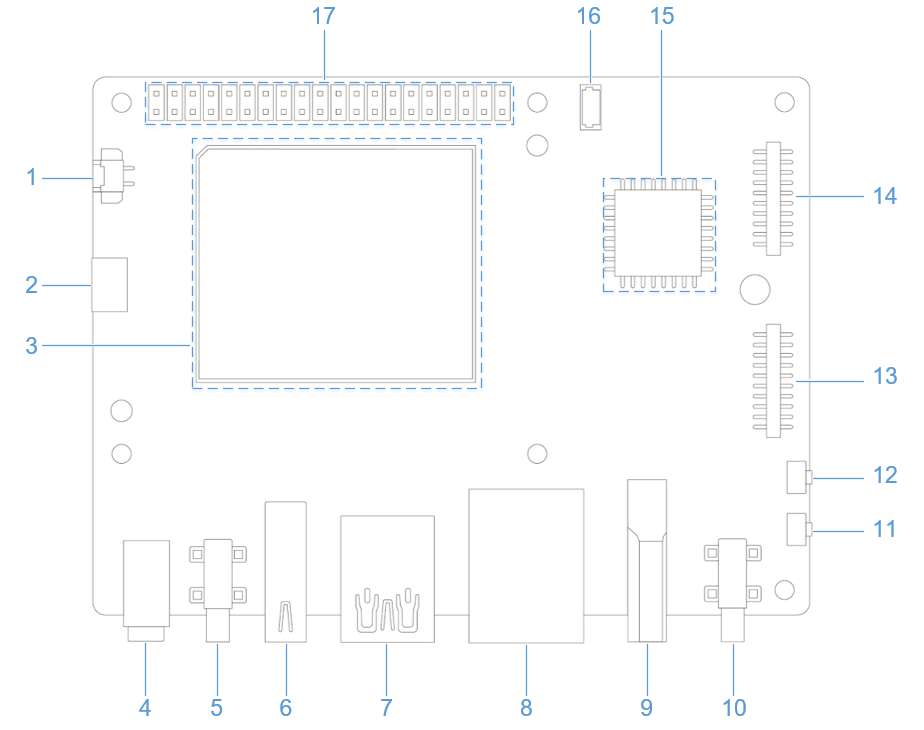
Essential Port Connection Details

Enter into EDL mode
EDL Mode is required to flash firmware and OS images directly to RubikPi 3 using Qualcomm's QDL tool.
If the device is pre-flashed and fully provisioned, EDL mode can be skipped during initial setup.

- Method1
- Method2
1️⃣ Press and hold the [EDL] button (No. 12 in the figure above).

2️⃣ Connect the power supply into port 10, as shown in the figure below.

3️⃣ Insert the Type-C cable into port 5 and wait three seconds to enter 9008 mode.

4️⃣ Release EDL button
5️⃣ You can observe that the device enter into EDL mode.
If your device is already running a Canonical Ubuntu image, follow the steps below to enter EDL (Emergency Download) mode.
🔧 Through UART
- Login from UART terminal
- Run the following command:
sudo reboot edl
🌐 Through SSH
- Connect to the device using its IP address remotely
- Login via SSH
sudo reboot edl
🖥️ Through SBC
- On Weston display, open terminal
- Login to the terminal
sudo reboot edl